联系我们
发送邮箱
主页 › 产品中心其它产品微动开关Switch发光轻触开关R2992
 
小型带灯轻触开关为集轻触开关内置发光LED灯复合式开关,具有外观绚丽色彩多样化,可以符合波峰焊与回流焊,产品常规用于笔记本电脑,家电,电子电器控制按钮功能。
带灯轻触开关R2992

•  Contact Rating:50mA,12VDC
•  Contact Resistance:100mΩ max
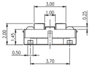
•  Travel:0.25mm
•  Insulation Resistance:100mΩ min.500VDC
•  Dielectric Strength:250VAC/1 minute
•  Operating Force:160±50gf
•  Operating Temp.:-40℃ ~+85℃
•  Operating Life:1,000,000 cycles
•  Storage Temp.:-40℃ ~+85℃
  带灯轻触开关R2992实拍图       带灯轻触开关R2992结构图         带灯轻触开关结构图         R2992结构图

 

Part Number Contact Rating Contact Resistance Insulation Resistance Dielectric Strength Operating Force Operating Temp. Travel Operating Life Storage Temp. PDF下载
R2992-M□□□Q-T/R 50mA,12VDC 100mΩ max 100mΩ min.500VDC 250VAC/1 minute 160±50gf -40℃ ~+85℃ 0.25mm 1,000,000 cycles -40℃ ~+85℃ 暂无
展开