联系我们
发送邮箱
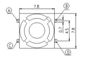
主页 › 产品中心其它产品微动开关Switch轻触开关RTR-8

轻触开关又叫按键开关,使用时以满足操作力的条件向开关操作方向施压开关功能闭合接通,当撤销压力时开关即断开,其内部结构是靠金属弹片受力变化来实现通断的。
轻触开关由:嵌件、基座、弹片、按钮、盖板组成其中防水类轻触开关在弹片上加一层聚酰亚胺薄膜,轻触开关有接触电阻荷小、精确的操作力误差、规格多样化等方面的优势。
密封型轻触开关RTR-8 防水IP67

•  Rating12VDC 50mA
•  Travel1.5±0.3mm
•  Life50,000 cycles
•  Contact Resistance100mΩ MAX Initial
•  Insulation Resistance:100mΩ min. 100VDC
•  Dielectric Strength250VAC(50/60Hz)FOR 1MIN
•  Operating Force120±40gf
•  Waterproof GradeIP6X
  密封型轻触开关RTR-8实拍图 轻触开关RTR-8结构图 密封型防水RTR-8结构图      密封型轻触开关结构图

 

Part Number Rating Contact Resistance Insulation Resistance Dielectric Strength Operating Force Travel Life Waterproof Grade PDF下载
RTR-8C-G-V-B 12VDC 50mA 100mΩ MAX Initial 100mΩ min. 100VDC 250VAC(50/60Hz)FOR 1MIN 120±40gf 1.5±0.3mm 50,000 cycles IP6X 暂无
RTR-8T-G-V-B 12VDC 50mA 100mΩ MAX Initial 100mΩ min. 100VDC 250VAC(50/60Hz)FOR 1MIN 120±40gf 1.5±0.3mm 50,000 cycles IP6X 暂无
展开