巨微总代理MG123 nordic蓝牙芯片
2020-05-08 09:52:02
上海巨微是一家国内专注于芯片和与之相关的系统设计,提供最高性价比的通用无线芯片和无线传感器芯片和方案,并成为无线传感节点的主要供货商。其核心技术能力覆盖射频,模拟,SOC和系统软件的设计。
上海巨微生产的型号为MG123是低功耗、低成本的BLE 收发器,内部集成了发射机、接收机、GFSK 调制解调器和BLE基带处理。该系列产品采用MSOP10 封装,只需搭配低成本MCU 和少数外围被动器件,即可实现BLE 遥控、蓝牙电子秤等应用。可替换
nordic蓝牙芯片。
• 电源电压1.9~3.6,可以采用一个纽扣电池(3.0v)供电
• 3uA 待机电流
• 20mA@0dBm 持续发射
• MSOP10 封装,外围BOM 很少
• 只需低成本MCU 配合
数据和控制接口
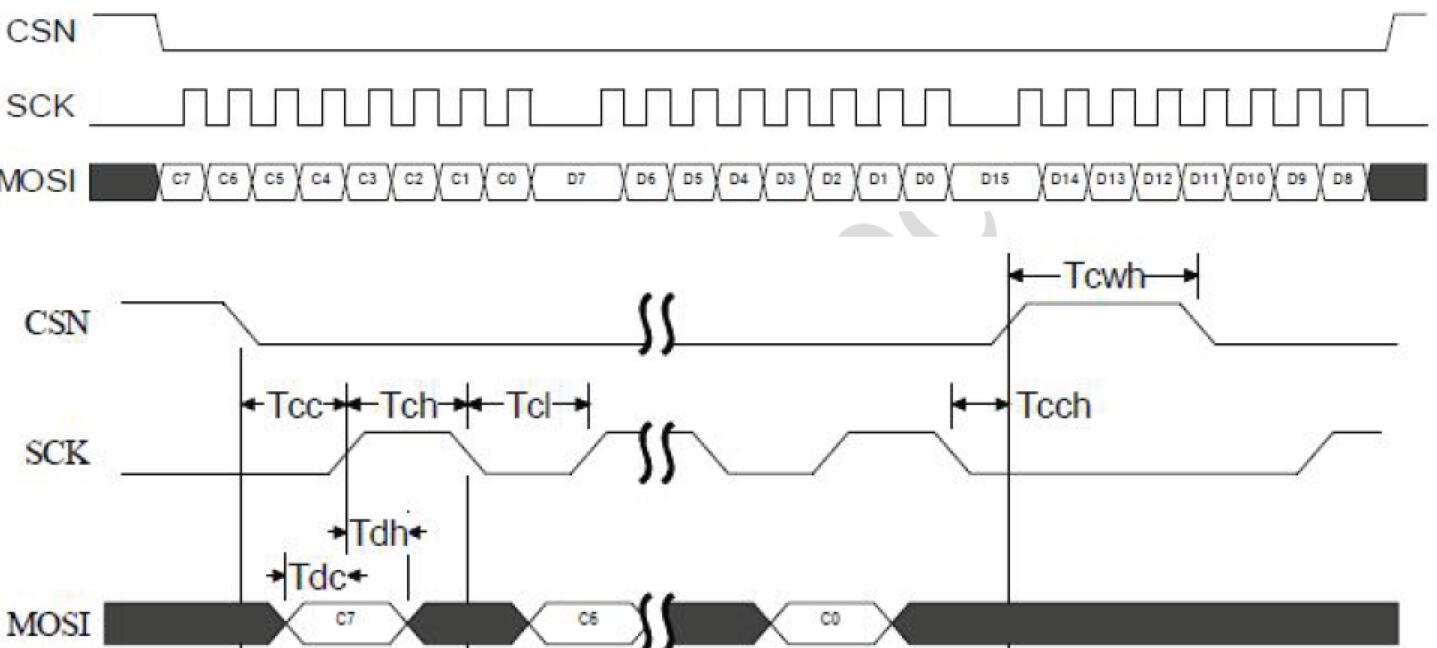
MG123 通过3 线SPI 接口和IRQ 信号与MCU 进行通信,接口包括以下信号:
• IRQ (this signal is active low and is controlled by maskable interrupt sources)
• CSN (SPI signal)
• SCK (SPI signal)
• MOSI (SPI signal)
其中MOSI 信号用于输入和输出。MCU 可以用3 个GPIO 模拟SPI,我们提供3 线SPI 的参考C 源码。
图1 SPI时序图
应用电路原理图
下图是MG123 的典型应用电路原理图。
图2示例应用示意图
PCB 布线注意事项
• 电源
电源线、地线的布线直接关系到产品的性能,把噪声干扰降到最低。布线时要尽量加宽地线、电源线宽度,地线〉电源线〉信号线,通常信号线宽0.2~0.3mm,电源线宽1.2~2.5mm,用大面积铜层做地线用,在PCB 上把没有用的空间都铺成地。
电源加两个电容,如果用LDO 供电,分别取值1uF 和0.1uF 用以滤波;如果用纽扣电池供电,电容分别取值10uF和10uF 用以稳压。
• 晶振
晶振电路要尽量短和对称,靠近芯片,以减少噪声干扰以及分布电容的影响。晶振外壳要良好接地。
• 天线
天线对通信影响很大,请使用成熟的2.4GHz 天线结构,或者严格按照天线要求制板。一般PCB 天线需要净空,天线与地(铺铜)之间距离应大于0.5mm。天线周围不要有元器件或金属结构。
芯片ANT 到天线之间的走线不能太长,线宽要考虑阻抗匹配要求。
上海巨微蓝牙SOC芯片其他封装选型表:
| Part Number |
VDD(v) |
MCU Core |
ROM |
RAM |
IO |
ADC |
Package |
| MG123 |
1.9 ~ 3.6 |
ASIC |
- |
- |
- |
- |
MSOP10 |
| MG127 |
1.9 ~ 3.6 |
ASIC |
- |
- |
- |
- |
DFN10 |
| MG126 |
1.9 ~ 3.6 |
ASIC |
- |
- |
- |
- |
QFN16 |
| MS1581 |
1.9 ~ 3.6 |
8bit |
OTP 2KW |
128B |
9 |
- |
SOP16 |
| MS1797 |
2.0 ~ 3.6 |
32bit |
Flash 128KB |
8KB |
21 |
7x12bit |
QFN32 |
| MS1586 |
1.9 ~ 3.6 |
8bit |
OTP 4KW |
256B |
9 |
7X12bit |
SOP16 |
| MS1656 |
2.4 ~ 3.6 |
CM0+ |
Flash 64KB |
4B |
11 |
4chX12bit |
QFN20 |
| MS1793S |
2.0 ~ 3.6 |
32bit |
Flash 32KB |
4KB |
11 |
9x12bit |
TSSOP24 |
| MS1793 |
2.0 ~ 3.6 |
32bit |
Flash 128KB |
8KB |
12 |
6x12bit |
QFN32 |
| MS1791 |
2.0 ~ 3.6 |
CM0 |
Flash 128KB |
8B |
21 |
9chx12bit |
QFN32 |
| MS1892 |
2.0 ~ 3.6 |
CM3 |
Flash 512KB |
128B |
29 |
9chx12bit |
QFN40 |
更多详情点击该链接:https://www.sramsun.com/list-451-1.html
本文关键词:nordic蓝牙芯片 上海巨微
相关文章: 国产低成本低功耗蓝牙SoC芯片MS1793S
深圳市英尚微电子有限公司是一家专业的静态随机记忆体产品及方案提供商,十年来专业致力代理分销存储芯片IC, SRAM、MRAM、pSRAM、 FLASH芯片、SDRAM(DDR1/DDR2/DDR3)等,为客人提供性价比更高的产品及方案。
英尚微电子中国区指定的授权代理:VTI、NETSOL、JSC济州半导体(EMLSI)、Everspin 、IPSILOG、LYONTEK、ISSI、CYPRESS、ISOCOME、PARAGON、SINOCHIP、UNIIC; 著名半导体品牌的专业分销商 如:RAMTROM、ETRON、FUJITSU、LYONTEK、WILLSEMI。
更多资讯关注SRAMSUN. www.sramsun.com 0755-66658299